LabVIEW视觉

 找回密码
 注册会员
查看: 143|回复: 0

[面阵相机] MARS-2622-4GM-P NIR ETR大恒图像火星宽温近红外工业相机

[复制链接]
  • TA的每日心情
    难过
    昨天 17:11
  • 签到天数: 3670 天

    连续签到: 32 天

    [LV.Master]2000FPS

     楼主| 发表于 2025-9-9 14:43:50 | 显示全部楼层 |阅读模式 来自:广东省东莞市 联通

    注册登陆后可查看附件和大图,以及购买相关内容

    您需要 登录 才可以下载或查看,没有账号?注册会员

    x
    MARS-2622-4GM-P NIR ETR大恒图像火星宽温近红外工业相机
    火星系列2600万像素近红外宽温工业相机
    火星系列相机(MARS-G-P)是大恒图像最新推出的大靶面高分辨率工业数字相机,具有高分辨率、高清晰度、低噪声等特点。MARS-2622-4GM-P NIR ETR 近红外宽温相机采用GpixelGMAX0505 CMOS 感光芯片,优化了芯片在近红外波段的响应,通过GigE 数据接口进行图像数据的传输,支持Power over Ethernet,并集成I/O (GPIO)接口,提供线缆锁紧装置。相机采用-40℃ ~70℃宽温设计,降低对工作及存储温度的要求,能稳定工作在各种恶劣环境下,是高可靠性、高性价比的工业数字相机产品。MARS-2622-4GM-P NIR ETR 外形紧凑坚固、性能出色、价格实惠、安装及使用方便,适用于工业检测、轨道交通、科研、3D 重构等领域。
    image1.png
    火星MARS-G-P系列


    应用领域
    工业检测、医疗、科研、教育及安防等领域。

    产品特点
    l  自动增益、自动曝光、ROI
    l  Gamma、降噪、平场校正、坏点校正
    l  像素抽样、Binning、数字移位、黑电平
    l  查找表、参数组、计数器和定时器
    l  取消参数范围限制,可扩大曝光、增益等参数的范围值


    规格参数
    型号  
    MARS-2622-4GM-P  NIR ETR
    品牌
    大恒图像
    系列
    火星MARS-G-P
    分辨率
    5120(H) ×  5120(V)
    帧率(fps)
    4.5
    传感器厂商
    Gpixel
    传感器
    1.1"  GMAX0505 Global shutter CMOS
    像元尺寸
    2.5μm
    模数转换精度
    12 bit
    像素深度
    8 bit12 bit
    数据接口
    GigE PoE
    镜头接口
    C
    光谱
    黑白,近红外
    图像数据格式
    Mono8 / Mono12
    信噪比
    39.81 dB
    曝光时间
    36μs ~ 1s,实际步长:1行周期
    增益
    0dB ~ 24dB;默认值0dB,步长0.1dB
    Binning
    1×11×21×42×12×22×44×14×24×4
    像素抽样
    水平 FPGA,垂直Sensor1×11×21×42×12×22×44×14×24×4
    同步方式
    外触发,软触发
    工作方式
    单帧采集,连续采集,软触发采集,外触发采集
    镜像翻转
    水平镜像,垂直镜像
    I/O接口
    1 路光耦隔离输入,1 路光耦隔离输出,2 路双向 GPIO
    供电要求
    12VDC-10% ~  24VDC+10% 电源或 PoEPower over  Ethernet,兼容 IEEE802.3af
    功率
    < 4.25 W @ 24  VDC<4.25 W @ PoE
    工作温度
    -40°C ~ +70°C
    存储温度
    -40°C ~ +70°C
    工作湿度
    10% ~ 80%
    机械尺寸
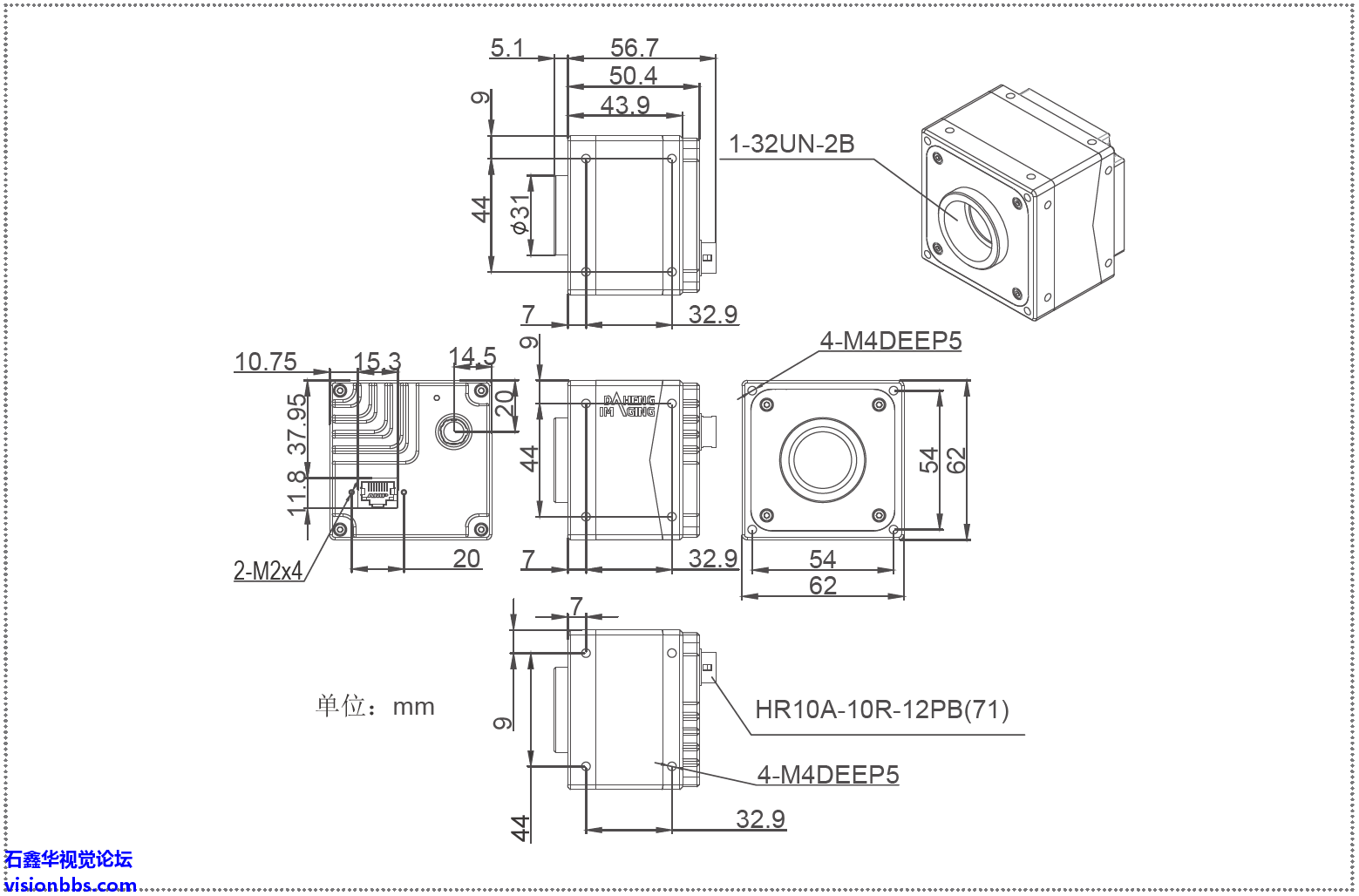
    62(W) × 62(H)  × 50.4(L) mm(不含镜头接口和连接件)
    重量
    274 g
    认证及标准
    CERoHSUSB3 Vision®GenICam®
    软件
    支持 HALCONMERLICLabVIEW 等第三方软件
    操作系统
    32bit / 64bit WindowsLinuxMac OS


    光谱曲线
    image2.png


    IO接口
    image3.png


    机械尺寸
    image4.png
    MARS-2622-4GM-PNIR ETR

    回复

    使用道具 举报

    您需要登录后才可以回帖 登录 | 注册会员

    本版积分规则

    LabVIEW HALCON图像处理入门教程(24.09)
    石鑫华机器视觉与LabVIEW Vision图像处理PDF+视频教程11种全套
    《LabVIEW Vision函数实例详解2020-2024》教程-NI Vision所有函数使用方法介绍,基于NI VISION2020,兼容VDM21/22/23/24

    QQ|LabVIEW视觉 |网站地图

    GMT+8, 2025-10-3 05:52

    Powered by Discuz! X3.4

    © 2001-2025 Discuz! Team.

    快速回复 返回顶部 返回列表